LED torch

LED module

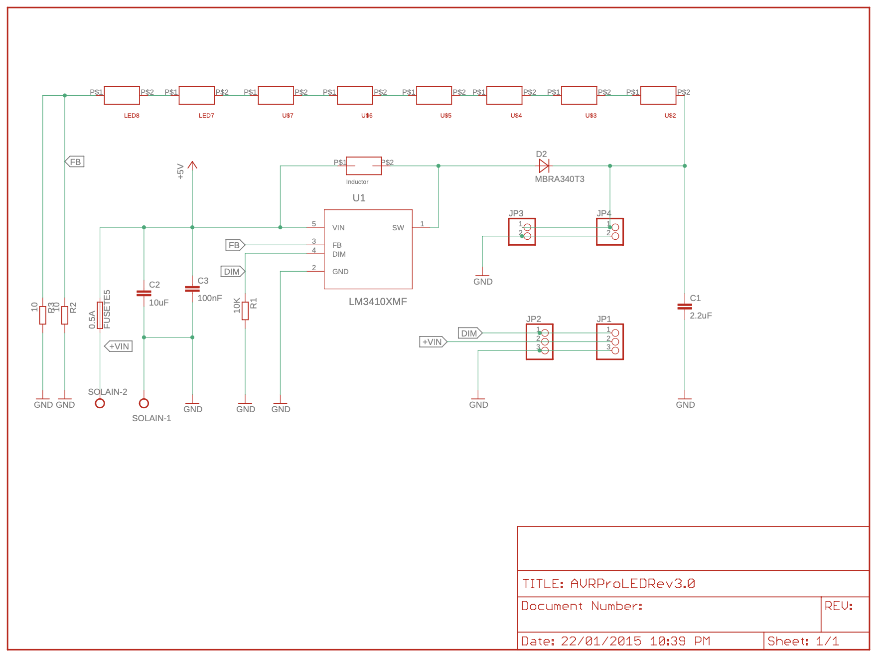
This LED Torch is an Arduino shield, and it is based on the Arduino Duemilanove/UNO footprint, which can be mounted onto any Arduino boards. This shield is powered from the 5V supply on Arduino board, and draws between 200mA and 500mA. The current draws and maximum brightness are controlled by R2 and R3, both are 10 ohm resistors. The board draws 200mA when only one resistor is mounted, and the brightness is half of the brightness of when both resistors are mounted which draws approximately 500mA. The LEDs can be dimmed using any of the PWM pins, by connecting the pad to a PWM pin and sending a dimming signal.